在我国东南沿海、 云贵高原、 青藏高原、 东北地区、川西地区等产石地区, 人们习惯就地取材用毛石、料石等修建房屋。这些房屋往往凭经验修建,存在砂浆强度低且灰缝饱满度差, 结构未设置抗震构造措施, 整体性及抗震性能差等问题。针对该种类型的结构加固,笔者总结了一些常用的加固方法供读者参考。该方法是采用高强度水泥砂浆置换掉原来墙体灰缝中低强度砂浆, 通过提高灰缝砂浆强度与饱满度, 从而提高墙体灰缝的抗剪强度。 
具体实施时, 应先掏除原灰缝中的旧砂浆并清理干净, 然后嵌入高强度砂浆 , 直至灰缝密实。该加固方法虽然技术要求低,但存在一定的局限性, 嵌入的砂浆黏结性能不好且饱满度不高,施工质量难以把控, 施工工期较长, 人工成本高。
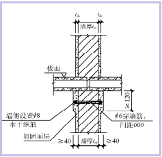
砌体灰缝的砌筑砂浆不饱满或局部空洞缺陷或者砂浆强度较低的情况,还可以采用压力灌浆的方式进行灰缝加固。灌浆材料可采用流动性好的无收缩水泥基灌浆材料。
但该方法实际操作效率也较低, 开孔和封闭较为困难, 灌浆饱满度不易测量, 加固成本较高。
传统外加面层加固法指通过外加钢筋混凝土面层或钢筋网砂浆面层,以提高原构件承载力和刚度的一种加固法。

该种方法在普通砌体结构加固中普遍采用,其计算原理与组合砌体结构基本一致。该种加固方式能有效提高墙体抗压、抗剪承载力,同时降低高厚比,提高砌体的整体抗震性能。但是由于面层加厚的原因,一定程度会减少使用面积。
高延性纤维增强水泥基复合材料加固是近些年兴起的一种加固方式,ECC是一种由水泥基胶凝材料、矿物掺和料、骨料、外加剂和纤维等原材料组成,按一定比例加水搅拌,硬化后具有一定的抗压强度、抗拉强度且极限延仲率不低于1%的水泥基复合材料。

ECC可通过人工压抹或喷射方式覆盖原墙体表面形成薄层,从而对砌体起到加固作用。ECC可采用配筋加固,也可以采用无筋加固,面层厚度相对传统面层加固法较小,最小可做到10mm,对建筑空间影响较小。
  05   其他加固方法 
除了以上常用的加固方法外,针对有些特殊项目还可以采用其他加固方式。
在笔者于2010年参与的一个厦门市的老旧毛石其他结构加固为例,该项目原本为单层建筑,改造后要求内部增设夹层。另外改造时要求保留原有风貌,内外均不允许增设砂浆或者混凝土面层。
考虑到原有屋面年久失修且需要增加夹层,在设计时考虑了将整个屋面拆除,仅保留毛石墙体,在原有墙体内置钢框架结构,钢框架安装后与砌体再进行充分拉结。所有的外部荷载基本由新增钢框架承担,毛石墙体转变为自承重的维护墙体。
该种方法在一些砌体结构的加固中也常常会用到,当然还有一些其他的加固方法,作者水平有限,未能一一列出,欢迎各位补充指正。
以上内容仅代表个人观点,作者水平所限,旨在抛砖引玉,欢迎提出更多更好的办法解决此问题,欢迎留言讨论!
以上部分图片来源网络,如有侵权,请联系删除