“建筑改造与加固”公众号
几万加固人的学习平台
结构鉴定 加固设计与施工 软件开发
混凝土后锚固技术主要解决新增构件在已有混凝土结构上的锚固问题。目前通常采用的技术手段有锚栓技术和植筋技术。
锚栓技术主要用于新增钢构件与已有混凝土构件的连接;植筋技术主要用于新增混凝土构件与已有混凝土构件的连接,也可用于新增钢构件连接。
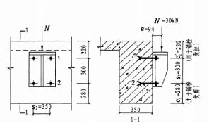
锚栓技术一般采用的成套锚栓产品,通常又分为机械锚栓和化学锚栓。 大家都熟悉的膨胀锚栓也属于机械锚栓的一种,但是提醒大家由于膨胀锚栓长期荷载作用下容易产生松动,可靠性较差,是不允许被使用于结构构件的锚固,错误使用很有可能产生严重的工程事故。本文中所指的机械锚栓指目前国内加固改造中用的比较多的扩底型锚栓,其通过锚孔底部扩孔与锚栓组件之间的锁键形成锚固作用。 化学锚栓与机械锚栓最直观的区别就是多了化学粘结剂,其主要由金属螺杆和锚固胶组成,通过锚固胶形成锚固作用。现在承重用的化学锚栓主要为特殊倒锥形胶粘型锚栓。 另外还有胶粘-模扩底锚栓,其虽然隶属于机械锚栓的范畴,实际结合了机械锚栓和化学锚栓的特点。 二 化学锚栓拉剪复合算例 我们以国标图集《混凝土后锚固连接》(04SG308)第29页示例二为案例运行JGTOOL软件进行对比计算,工程概况如下。 根据图集提供的已知参数,运用JGTOOL软件进行计算。 根据《后锚固规范》6.1.10条,图集中提供的基材厚度h=350<hmin=360mm,安装过程易发生劈裂破坏,软件自动不验算,因此软件计算时取了h=360进行计算!




我们通过下表对图集给出的计算结果与JGTOOL计算的结果进行对比,并对差异原因进行分析。

通过对比可以发现除了基材厚度取值不同和图集数学运算有误导致的计算差别外,其他计算结果基本无差别。
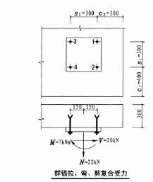
三 机械锚栓拉弯剪复合算例 我们以国标图集《混凝土后锚固连接》(04SG308)第33页示例三为案例运行JGTOOL软件进行对比计算,工程概况如下。 根据图集提供的已知参数,运用JGTOOL软件进行计算。


我们通过下表对图集给出的计算结果与JGTOOL计算的结果进行对比,并对差异原因进行分析。

通过对比可以发现计算结果基本无差别。
四 锚栓关键技术总结
结合以上算例和笔者多年的工程实践,总结了以下锚栓设计中的关键计算供用户参考。
1、锚固基材的适用性。作为锚栓基材的原有混凝土基材的强度和厚度等对锚栓的锚固性能有较大影响。当混凝土强度低于C20时,极易发生锚栓拔出或混凝土锥体拔出的脆性破坏,危害极大。
在笔者参与的改造项目中,由于混凝土施工质量原因或混凝土长期碳化原因,类似于原设计C30实测C15,原设计C40实测C25等情况屡有发生,所以在此提醒广大设计人员在该类项目设计前,一定要要求业主对原有混凝土基材强度进行结构检测,一旦发现混凝土强度偏低应更换设计方案或者对锚固基材进行包钢或者置换混凝土加固。
一般当混凝土基材厚度不足锚固长度1.5倍时也应避免采取锚栓技术,无更好替代方案时可尝试采用对穿螺栓或者对混凝土基材进行加固。当然以上都是基于锚栓锚固于原混凝土基材上,如果错误的将锚栓锚固于抹灰层或者装饰层危害将更大,施工时不能为了省工省导致此类危害的产生。
另外设计时也应尽量将锚栓布置在混凝土的基材的受压区或者不开裂区域。
2、锚固深度的合理性。锚栓特别是受拉锚栓的锚固长度一定要满足相关规范图集的要求,切勿轻信不良厂商随意减小锚固深度,也不能以短期拉拔试验作为确定锚栓锚固深度的依据,除非有国家认定专业结构的出具的反复荷载作用的检测报告作为依据。同时建议采购时应尽量采购知名大厂的产品。
3、锚栓边距和间距的合理控制。通过以上算例不难看出锚栓边距和间距对锚栓锚固承载力的影响,锚栓边距或间距过小极易产生混凝土锥体拔出破坏或者边缘劈裂破坏,一般都不应小于6倍锚栓直径。当条件受限确实无法满足时可对混凝土基材节点区进行包钢加固。
4、锚栓规格应进行计算确定。锚栓规格应按规范要求同时进行锚栓钢材和混凝土基材破坏验算,不能因计算复杂而仅按普通螺栓或者预埋件的计算方法只考虑钢材破坏进行简化计算。
5、粘结剂的质量控制。化学锚栓的粘结剂一般都是与螺杆相配套使用,粘结剂由于为有机材料在高温潮湿环境下极易老化所以要求我们注意以下几点:(1)注意选用适用于工程所处环境的粘结剂,应有相应的耐高温潮湿环境检测报告。(2)避免在锚栓注胶后进行焊接而造成的粘结剂老化。(3)注意粘结剂的使用年限应与结构的设计使用年限相匹配,并应有相应的检测报告。
6、锚栓孔应施工到位。机械锚栓一般应采用专用钻头扩底,化学锚栓应特别注意清孔。
7、施工后质量检验必不可少。锚栓施工质量应按锚固件抗拔承载力的现场抽样检验结果进行,必要时应按规范要求进行破坏性试验,现场条件限制无法进行原位破坏性检验时,可在工程施工的同时,现场浇筑同条件的混凝土块体作为基材安装锚固件,并应按规定的时间进行破坏性检验。
JGTOOL在锚栓计算上有以下优势供用户了解:
★JGTOOL可以进行机械锚栓和化学锚栓的计算,计算结果完整准确;
★JGTOOL还可以进行锚栓的变距、间距、锚板、基材厚度等的构造验算;
★JGTOOL的计算书完整详实,格式标准,能够满足施工图审查要求;
★由于计算复杂,市场上能进行锚栓计算的软件凤毛麟角,JGTOOL开发者花费大量精力增加该模块,具有一定独创性;
因此,建议大家在进行锚栓加固设计时,可以选用JGTOOL进行设计,能一定程度提高设计效率,有需要的可以通过以下链接免费获取。